有問題嗎?
匡信技術顧問為您服務!
電話:0512-57772351
郵箱:marto@marto.cc
產品選型
油缸種類 | 空白:基本型 C:雙軸油缸 D:雙軸前進可調行程油缸 |
軸徑 | C:C級軸徑 B:B級軸徑 |
油缸內徑(s s) | φ50,φ63,φ80,φ100,φ125,φ160,φ180,φ200,φ250,φ320 |
油缸行程(s s) | 用戶指定 |
安裝方式 | 基本型(SD) 前法蘭型(FA) 后法蘭型(FB) 單山型(CA) 單山附魚眼軸承型(CAB) 中間砲耳型(TC) 徑向腳座型(LA) |
緩沖型式 | 空白:標準品(無緩沖) PPV:前后皆有緩沖 FPV:前蓋有緩沖 RPV:后蓋有緩沖 |
軸端接頭 | 空白:標準品(不附) PR...CE:魚眼接頭(符合ISO-6982及DIN24338規范) |
可調行程長度 | 限:雙軸前進可調行程油缸,油缸可調整長度 |
入油口位置 | 空白:標準型 |
緩沖調整閥位置 | 空白:標準型 |
入油口規格 | RC:管用錐度牙 G:管用平行牙 M:公制直牙 F:正方形法蘭 MM:長方形法蘭 |
測壓接頭 | 空白:標準品(不附) AV:測壓及快速逃氣接頭 |


備注:我們是生產廠家,尺寸可根據要求定制更改
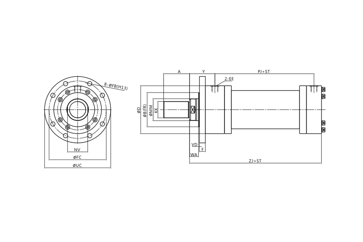
內徑記號 | MM | KK | EE | A | AB | B | D | F | FB | Y | NV | VD | WA | WC | FC | UC | ZJ | PJ | ZM | |
C級 | B級 | |||||||||||||||||||
50 | 30 | 35 | M27×2 | PT1/2 | 36 | 29 | 63 | 108 | 25 | 14 | 98 | 32 | 4 | 18 | 22 | 132 | 155 | 244 | 120 | 316 |
63 | 40 | 45 | M33×2 | PT3/4 | 45 | 32 | 75 | 124 | 28 | 14 | 112 | 34 | 4 | 21 | 25 | 150 | 175 | 274 | 133 | 357 |
80 | 50 | 56 | M42×2 | PT3/4 | 56 | 36 | 90 | 148 | 32 | 18 | 120 | 46 | 4 | 24 | 28 | 180 | 210 | 305 | 155 | 395 |
100 | 60 | 70 | M48×2 | PT1 | 63 | 41 | 110 | 175 | 36 | 22 | 134 | 60 | 5 | 27 | 32 | 212 | 250 | 340 | 171 | 439 |
125 | 80 | 90 | M64×3 | PT1 | 85 | 45 | 132 | 208 | 40 | 22 | 153 | - | 5 | 31 | 36 | 250 | 290 | 396 | 205 | 511 |
160 | 100 | 110 | M80×3 | PT1 1/4 | 95 | 50 | 160 | 270 | 45 | 26 | 185 | - | 5 | 35 | 40 | 315 | 360 | 460 | 235 | 605 |
200 | 125 | 140 | M100×3 | PT1 1/4 | 112 | 61 | 200 | 330 | 56 | 33 | 220 | - | 5 | 40 | 45 | 385 | 440 | 550 | 278 | 718 |
250 | 160 | 180 | M125×4 | PT1 1/2 | 125 | 71 | 250 | 412 | 63 | 39 | 260 | - | 8 | 42 | 50 | 475 | 540 | 650 | 325 | 840 |
320 | 200 | 220 | M160×4 | PT2 | 160 | 88 | 320 | 510 | 80 | 45 | 310 | - | 8 | 48 | 56 | 600 | 675 | 760 | 350 | 955 |
上一個:重型輔助推進油缸
下一個:沒有了!
